Мотор-редуктор 1МЦ2С-100 циліндричний двоступеневий
19 350 грн
З умовами доставки та оплати можна ознайомитись тут.
Опис
Мотор-редуктор циліндричний 1МЦ2С-100
Загальний опис:
Мотор-редуктор циліндричний 1МЦ2С-100-45 є інтегрованим пристроєм, що поєднує в собі електродвигун та циліндричний редуктор. Це пристрій розроблено для передачі крутного моменту та керування швидкістю обертання з високою точністю та ефективністю. Мотор-редуктори 1МЦ2С призначені для використання в промислових умовах, де потрібна надійна та довговічна робота механічних систем.
Переваги:
Висока ефективність: Мотор-редуктор 1МЦ2С забезпечує оптимальну передачу потужності з мінімальними втратами, що збільшує загальну продуктивність обладнання.
Компактна конструкція: Інтеграція двигуна та редуктора в одному корпусі економить простір і спрощує монтаж.
Довговічність: Використання високоякісних матеріалів та передових технологій виробництва гарантує тривалий термін служби та надійність в експлуатації.
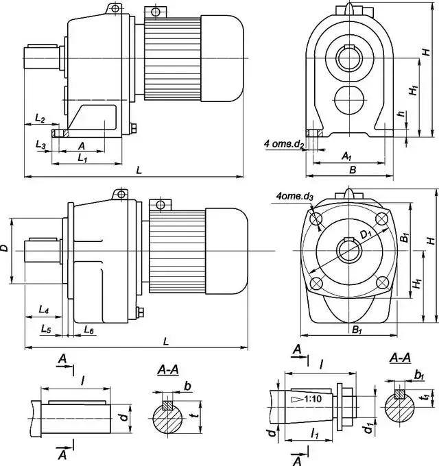
Габаритні та приєднувальні розміри, мм

|
Позначення мотор-редуктора |
А |
А 1 |
B |
B 1 |
D |
D 1 |
H |
L |
H 1 |
L 1 |
L 2 |
L 3 |
L 4 |
|
не більше |
|||||||||||||
|
1МЦ2С-100 |
130 |
210 |
255 |
270 |
230 |
275 |
400 |
700 |
212 |
195 |
102 |
20 |
120 |
|
Позначення мотор-редуктора |
L 5 |
L 6 |
h |
d |
d 1 |
d 2 |
d 3 |
l |
l 1 |
b |
b 1 |
t |
t 1 |
|
1МЦ2С-100 |
5 |
15 |
22 |
45 |
– |
15 |
14 |
110 |
– |
14 |
– |
49 |
– |
Технічні характеристики
| Частота обертання вихідного вала, об/хв | 1МЦ2С-100 | |||
| Мкр, Н.м |
Тип ел/дв, |
Потужність ел/дв, кВт |
Маса, кг | |
| 28 | 506 | АИР90L6 | 1,5 | 80 |
| 742 | АИР100L6 | 2,2 | 93 | |
| 35,5 | 585 | АИР100L6 | 2,2 | 93 |
| 798 | АИР112MA6 | 3,0 | 106 | |
| 45 | 462 | АИР90L4 | 2,2 | 80 |
| 630 | АИР100S4 | 3,0 | 89 | |
| 56 | 506 | АИР100S4 | 3,0 | 89 |
| 675 | АИР100L4 | 4,0 | 92 | |
| 71 | 532 | АИР100L4 | 4,0 | 92 |
| 732 | АИР112M4 | 5,5 | 110 | |
| 90 | 420 | АИР100L4 | 4,0 | 92 |
| 577 | АИР112M4 | 5,5 | 110 | |
| 112 | 464 | АИР100L2 | 5,5 | 89 |
| 633 | АИР112M2 | 7,5 | 108 | |
| 140 | 481 | АИР112M2 | 7,5 | 108 |
| 705 | АИР132M2 | 11,0 | 145 | |
| 180 | 374 | АИР112M2 | 7,5 | 108 |
| 549 | АИР132M2 | 11,0 | 145 | |
Варіан розміщення:

Умовне позначення Мотор-редуктора 1МЦ2С (МЦ2С) при замовленні:
Редуктор 1МЦ2С-100-45-630-G110-У3, де:
1МЦ2С – тип мотор-редуктора;
100 – міжосьова відстань;
45 – частота обертання, об/хв;
630 – номінальний крутний момент на вихідному валу, Нм;
G110 – конструктивне розміщення при монтажі;
У3 – кліматичне виконання;
Сфери застосування:
Мотор-редуктори 1МЦ2С-100-45 широко застосовуються в різних галузях промисловості, включаючи машинобудування, металургію, транспорт і логістику, виробництво будівельних матеріалів та сільське господарство. Вони використовуються в конвеєрних системах, насосних установках, змішувачах та інших механізмах, що потребують надійної та ефективної передачі потужності.
Рекомендації щодо вибору та експлуатації:
При виборі мотор-редуктора 1МЦ2С слід враховувати робочі навантаження, умови експлуатації та необхідні передавальні числа. Регулярне технічне обслуговування, включаючи перевірку та заміну масла, а також огляд стану шестерень та підшипників, допоможе підтримувати пристрій в оптимальному робочому стані та продовжити термін його служби.
Гарантія та підтримка:
На мотор-редуктори 1МЦ2С надається гарантія. Ми також пропонуємо повний спектр післяпродажного обслуговування, включаючи технічну підтримку, ремонт та постачання оригінальних запасних частин.
Як замовити:
Для замовлення мотор-редуктора 1МЦ2С відвідайте наш веб-сайт або зв'яжіться з нашим відділом продажів. Ми надамо повну консультацію з вибору обладнання, оформимо замовлення та організуємо доставку в найкоротші терміни
Також у нас Ви можете отримати інформацію щодо підбору та специфікації інших видів редукторів, таких як: 1Ц2У, Ц2У, Ц2У-Н, ЦУ, 1ЦУ, Ц3У, Ц2Н, РМ, РЦД, ЦТНД, ЦЗУ, РК, ГПШ, ЦДН, ЦДНД, КЦ1, КЦ2, 1МЦ2С, МР1, МР2, МР3, МПО, В, ВК, СКУ, УЗВК, А, Ч, 2Ч, NMRV, Ч2, ЧГ, РЧП, РЧН, РГП, РГС, РГ, РГСП, 3МП, 4МП, 5МП з доставкою по всій Україні: Харків, Лозова, Ізюм, Чугуїв, Балаклія, Черкаси, Первомайський, Мерефа, Куп'янськ, Валки, Вінниця, Жмеринка, Козятин, Хмільник, Луцьк, Нововолинськ, Ковель, Кам'янка-Бузька, Рожище, Дніпро, Кривий Ріг, Нікополь, Павлоград, Кринички, Житомир, Бердичів, Коростень, Малин, Новоград-Волинський, Ужгород, Мукачево, Хуст, Берегове, Виноградів, Запоріжжя, Івано-Франківськ, Коломия, Долина, Калуш, Галич, Київ, Бориспіль, Бровари, Фастів, Біла Церква, Кропивницький, Світловодськ, Олександрія, Знам'янка, Львів, Дрогобич, Стрий, Жовква, Новояворівськ, Миколаїв, Первомайськ, Вознесенськ, Южноукраїнськ, Нова Одеса, Одеса, Південний Полтава, Кременчук, Миргород, Гадяч, Кобеляки, Рівне, Дубно, Костопіль, Здолбунів, Острог, Суми, Конотоп, Шостка, Ромни, Охтирка, Тернопіль, Чортків, Кременець, Бережани, Збараж, Хмельницький, Кам'янець-Поділь Ярмолинці, Чернігів, Ніжин, Прилуки, Бахмач, Новгород-Сіверський, Чернівці, Новоселиця, Вашківці, Сокиряни, Заставна, Івано-Франківськ.
Додаткова інформація
| Вага | 1,1 кг |
|---|---|
| Розміри | 70 × 27 × 40 см |
Основні характеристики:
| Призначення | Для мульчера, Для шнека, Мотор-Редуктори |
| Тип | Співвісний, Циліндричний |
| Маркування | 1МЦ2С |
| Оберти на виході | 28, 35.5, 45, 56, 71, 90, 112, 140, 180 |
| Міжосьова відстань | 100mm |
| Кількість ступенів | Двоступінчастий |






