Редуктор 1Ц2У-400 цилиндрически двухступенчатыйй
59 290 грн
С условиями доставки и оплаты можно ознакомиться здесь.
Описание
Редуктор цилиндрический 1Ц2У-400-8 – это высококачественный механизм, предназначенный для изменения крутящего момента и скорости вращения в машинах и механизмах различного назначения. Эти редукторы являются незаменимыми в сферах, где требуется надежная и долговечная передача мощности.
Преимущества:
– Эффективность и надежность: Благодаря современным технологиям производства и использованию высококачественных материалов, редукторы Ц2У гарантируют превосходную производительность и долгий срок службы.
– Универсальность: Широкий спектр модификаций позволяет использовать их в разнообразных условиях и для множества задач.
– Простота обслуживания: Конструкция редукторов обеспечивает легкий доступ к основным компонентам, что упрощает их техническое обслуживание.
Габаритные и присоединительные размеры, мм

| Типоразмер редуктора |
АТ | АБ | L | I | А1 | А2 | L2 | L3 | Н | H1 | А | В | B1 | B2 | d | h | n |
| не более | |||||||||||||||||
| мм | шт. | ||||||||||||||||
| 1Ц2У-400 | 400 | 250 | 1320 | 450 | 475 | 280 | 380 | 500 | 835 | 425 | 950 | 475 | 420 | 330 | 35 | 42±4 | 6 |
Технические характеристики Ц2У-400
| Типоразмер редуктора |
Передаточное отношение |
Частота вращения входного вала, мин-1 |
Номинальный крутящий момент на выходном валу, Н·м |
Масса, кг |
| 1Ц2У – 400 | 8; 10; 12,5; 16; 20; 25; 31,5; 40; 50 |
от 1500 до 500 | 20000 | 930 |
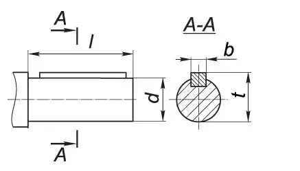
Присоединительные размеры цилиндрических валов редукторов 1Ц2У, 1Ц2Н.

| Редуктор | быстроходный вал | тихоходный вал | ||||||
| d | l | b | t | d | l | b | t | |
| 1Ц2У-315 | 50k6 | 110 | 14 | 53.5 | 110m6 | 210 | 28 | 116 |
| 1Ц2У-355 | 55m6 | 110 | 16 | 59 | 125m6 | 210 | 32 | 132 |
| 1Ц2У-400 | 60m6 | 140 | 18 | 64 | 140m6 | 250 | 36 | 148 |
| 1Ц2Н-450 | 80m6 | 170 | 22 | 85 | 160m6 | 300 | 40 | 169 |
| 1Ц2Н-500 | 90m6 | 170 | 25 | 95 | 180m6 | 300 | 45 | 190 |
Присоединительные размеры тихоходного вала в виде зубчатой полумуфты 1Ц2У, 1Ц2Н.

| Редуктор | b | d | d1 | d2 | d3 | L | l | l1 | Зацепление | |
| m | z | |||||||||
| 1Ц2У-315 | 30 | 252 | 130 | 110F8 | 140 | 275 | 10 | 60 | 6 | 40 |
| 1Ц2У-355 | 35 | 294 | 130 | 110F8 | 140 | 310 | 13 | 65 | 7 | 40 |
| 1Ц2У-400 | 40 | 336 | 180 | 150F8 | 215 | 335 | 15 | 65 | 8 | 40 |
| 1Ц2Н-450 | 50 | 420 | 200 | 160F8 | 230 | 440 | 15 | 70 | 10 | 40 |
| 1Ц2Н-500 | 50 | 420 | 200 | 160F8 | 230 | 470 | 15 | 70 | 10 | 40 |
Присоединительные размеры тихоходного вала для присоединения приборов управления 1Ц2У, 1Ц2Н.

| Редуктор | b | d | d1 | d2 | d3 | L |
| 1Ц2У-315 | 5 | 110h9 | 75h9 | 55 | M8*20 | 200 |
| 1Ц2У-355 | 5 | 125h9 | 75h9 | 55 | M8*20 | 235 |
| 1Ц2У-400 | 5 | 140h9 | 75h9 | 55 | M8*20 | 240 |
| 1Ц2Н-450 | 5 | 180h9 | 75h9 | 55 | M8*20 | 340 |
| 1Ц2Н-500 | 5 | 190h9 | 75h9 | 55 | M8*20 | 360 |
Условное обозначения редуктора Ц2У (1Ц2У) при заказе:
Редуктор 1Ц2У-400-8-12-У3, где:
1Ц2У – тип редуктора;
400 – межосевое расстояние тихоходной ступени;
8 – номинальное передаточное число;
12 – вариант сборки;
У3 – климатическое исполнение;
Технические характеристики:
Области применения редуктора 1Ц2У-400-8-12-У3.
Редукторы цилиндрические 1Ц2У нашли свое применение в многих отраслях, включая машиностроение, металлургию, химическую промышленность, сельское хозяйство и строительство. Они идеально подходят для использования в транспортерах, лифтах, смесительном оборудовании и других типах промышленной техники.
Примеры использования:
– Привод конвейерных лент в производственных линиях.
– Системы подъема и перемещения на строительных площадках.
– Сельскохозяйственные машины для обработки почвы.
Рекомендации по выбору и эксплуатации:
При выборе редуктора Ц2У учитывайте тип нагрузки, условия эксплуатации и требуемые параметры мощности и скорости. Регулярно проверяйте состояние редуктора, проводите плановые технические осмотры и своевременно заменяйте смазочные материалы.
Гарантии и поддержка:
Мы предоставляем расширенные гарантии на все наши редукторы Ц2У, а также полный спектр услуг по техническому обслуживанию и ремонту.
Как заказать:
Для заказа или получения дополнительной информации о редукторах цилиндрических Ц2У посетите наш веб-сайт или свяжитесь с нашим отделом продаж по телефону или электронной почте. Мы поможем вам выбрать наилучшее решение, отвечающее вашим техническим требованиям.
Также у нас ВЫ можете получить информацию по подбору и спецификации других видов редукторов, таких как: 1Ц2У, Ц2У, Ц2У-Н, ЦУ, 1ЦУ, Ц3У, Ц2Н, РМ, РЦД, ЦТНД, ЦЗУ, РК, ГПШ, ЦДН, ЦДНД, КЦ1, КЦ2, 1МЦ2С, МР1 ,МР2, МР3, МПО, В, ВК, ВКУ, УЗВК, А, Ч, 2Ч, NMRV, Ч2, ЧГ, РЧП, РЧН, РГП, РГС, РГ, РГСП, 3МП, 4МП, 5МП с доставкой по всей Украине: Харьков, Лозовая, Изюм, Чугуев, Балаклея, Черкассы, Первомайский, Мерефа, Купянск, Валки, Винница, Жмеринка, Козятин, Хмельник, Луцк, Нововолынск, Ковель, Каменка-Бугская, Рожище, Днепр, Кривой Рог, Никополь, Павлоград, Кринички, Житомир, Бердичев, Коростень, Малин, Новоград-Волынский, Ужгород, Мукачево, Хуст, Берегово, Виноградов, Запорожье, Ивано-Франковск, Коломыя, Долина, Калуш, Галич, Киев, Борисполь, Бровары, Фастов, Белая Церковь, Кропивницкий, Светловодск, Александрия, Знаменка, Львов, Дрогобыч, Стрый, Жовква, Новояворовск, Николаев, Первомайск, Вознесенск, Южноукраинск, Новая Одесса, Одесса, Южный, Измаил, Белгород-Днестровский, Полтава, Кременчуг, Миргород, Гадяч, Кобеляки, Ровно, Дубно, Костополь, Здолбунов, Острог, Сумы, Конотоп, Шостка, Ромны, Ахтырка, Тернополь, Чертков, Кременец, Бережаны, Збараж, Хмельницкий, Каменец-Подольский, Шепетовка, Славута, Ярмолинцы, Чернигов, Нежин, Прилуки, Бахмач, Новгород-Северский, Черновцы, Новоселица, Вашковцы, Сокиряны, Заставна, Ивано-Франковск.
Детали
| Вес | 9,3 кг |
|---|---|
| Габариты | 132 × 88 × 84 см |
Основные характеристики:
| Предназначение | Для гранулятора, Для двигателя, Для шнека, Для электродвигателя |
| Тип | Цилиндрический, Крановый, Понижающий |
| Маркировка | 1Ц2У |
| Предаточное число | 8, 10, 12.5, 16, 20, 25, 31.5, 40, 50 |
| Межосевое расстояние | 400mm |
| Количество ступеней | Двухступенчатый |








