Редуктор РЦД-400 цилиндрический двухступенчатый
31 500 грн
С условиями доставки и оплаты можно ознакомиться здесь.
Описание
Редуктор РЦД-400-20: Высокопроизводительное решение для промышленных приводов
Общее описание:
Редуктор РЦД представляет собой высокотехнологичное устройство для эффективной передачи крутящего момента и уменьшения скорости вращения в машинах и механизмах. Этот редуктор разработан с использованием передовых технологий, что обеспечивает его выдающуюся надежность и долговечность даже в самых жестких условиях эксплуатации.
Преимущества:
Повышенная эффективность: Редуктор РЦД оптимизирован для максимальной передачи мощности при минимальных потерях, что значительно повышает эффективность оборудования.
Универсальность применения: Благодаря широкому диапазону передаточных чисел и возможности настройки под специфические условия работы, РЦД подходит для различных промышленных приложений.
Низкая стоимость эксплуатации: Продуманная конструкция редуктора и применение высококачественных материалов минимизируют необходимость в частом обслуживании и ремонте.
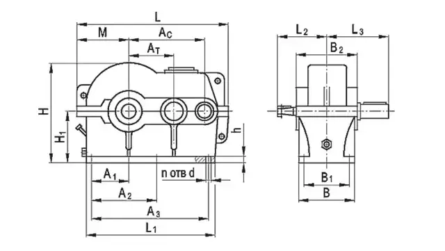
Габаритные и присоединительные размеры, мм

| Редуктор |
Aс | Ат | А1 | А2 | А3 | В | В1 | В2 |
| РЦД-250 | 250 | 150 | 115 | 165 | 330 | 250 | 200 | 250 |
| РЦД-350 | 350 | 200 | 164 | 240 | 480 | 320 | 255 | 320 |
| РЦД-400 | 400 | 250 | 190 | 270 | 540 | 360 | 275 | 360 |
продолжение таблици
| Редуктор | Н | Н1 | h | L | L1 | L2 | L3 | M | d | n, шт | Масса, кг |
| РЦД-250 | 315 | 160 | 24 | 520 | 400 | 220 | 230 | 185 | 23 | 6 | 87 |
| РЦД-350 | 410 | 212 | 24 | 700 | 545 | 260 | 290 | 235 | 23 | 6 | 175 |
| РЦД-400 | 510 | 265 | 28 | 800 | 640 | 280 | 335 | 285 | 27 | 6 | 287 |
Технические характеристики редуктора РЦД-400
| Типоразмер редуктора |
Передаточное отношение |
Частота вращения входного вала, мин-1 |
Номинальный крутящий момент на выходном валу, Н·м |
| РЦД-250 | 10; 12,5; 16; 20; 25; 31,5; 40; |
от 1500 до 600 | 431-505 |
| РЦД-350 | 1020-1200 | ||
| РЦД-400 | 1990-2300 |
Присоединительные размеры валов редуктора, мм.

| Редуктор
|
d | d1 | d2 | l | l1 | b | t | d3 | d4 | l2 | b1 | t1 |
| РЦД-250 | 30 | 50 | M20*1.5 | 80 | 58 | 5 | 15.55 | 45 | 65 | 85 | 14 | 49,5 |
| РЦД-350 | 35 | 50 | M20*1.5 | 80 | 58 | 6 | 18.55 | 65 | 65 | 102 | 18 | 71 |
| РЦД-400 | 35 | 50 | M20*1.5 | 80 | 58 | 6 | 18.55 | 85 | 90 | 130 | 22 | 93 |
Вариант сборки редуктора РЦД-400

Условное обозначения редуктора РЦД при заказе:
Редуктор РЦД-400-20-12-У2, где:
РЦД – тип редуктора;
400 – общее межосевое расстояние;
20 – номинальное передаточное число;
12 – вариант сборки редуктора;
У2 – климатическое исполнение;
Области применения:
Редуктор РЦД-400-20 широко используется в таких секторах, как металлургия, горнодобывающая промышленность, энергетика и строительство, где требуется надежная и мощная передача движения.
Примеры успешного использования:
Энергетическая отрасль: РЦД применяется в приводах ветряных турбин для оптимизации их работы.
Горнодобывающая промышленность: Редукторы используются в оборудовании для перемещения породы, обеспечивая его бесперебойную работу.
Рекомендации по выбору и эксплуатации:
При выборе редуктора РЦД важно учитывать характер нагрузок и условия работы машины. Регулярные осмотры и замена масла помогут поддерживать редуктор в оптимальном состоянии и продлить его эксплуатационный срок.
Гарантии и поддержка:
Мы предоставляем гарантию на редукторы РЦД, а также полный пакет послепродажных услуг, включая техническую поддержку и поставку запасных частей.
Как заказать:
Заказать редуктор РЦД можно через наш веб-сайт или связавшись напрямую с отделом продаж. Мы предложим индивидуальные условия покупки и доставки, соответствующие вашим требованиям.
Также у нас ВЫ можете получить информацию по подбору и спецификации других видов редукторов, таких как: 1Ц2У, Ц2У, Ц2У-Н, ЦУ, 1ЦУ, Ц3У, Ц2Н, РМ, РЦД, ЦТНД, ЦЗУ, РК, ГПШ, ЦДН, ЦДНД, КЦ1, КЦ2, 1МЦ2С, МР1 ,МР2, МР3, МПО, В, ВК, ВКУ, УЗВК, А, Ч, 2Ч, NMRV, Ч2, ЧГ, РЧП, РЧН, РГП, РГС, РГ, РГСП, 3МП, 4МП, 5МП с доставкой по всей Украине: Харьков, Лозовая, Изюм, Чугуев, Балаклея, Черкассы, Первомайский, Мерефа, Купянск, Валки, Винница, Жмеринка, Козятин, Хмельник, Луцк, Нововолынск, Ковель, Каменка-Бугская, Рожище, Днепр, Кривой Рог, Никополь, Павлоград, Кринички, Житомир, Бердичев, Коростень, Малин, Новоград-Волынский, Ужгород, Мукачево, Хуст, Берегово, Виноградов, Запорожье, Ивано-Франковск, Коломыя, Долина, Калуш, Галич, Киев, Борисполь, Бровары, Фастов, Белая Церковь, Кропивницкий, Светловодск, Александрия, Знаменка, Львов, Дрогобыч, Стрый, Жовква, Новояворовск, Николаев, Первомайск, Вознесенск, Южноукраинск, Новая Одесса, Одесса, Южный, Измаил, Белгород-Днестровский, Полтава, Кременчуг, Миргород, Гадяч, Кобеляки, Ровно, Дубно, Костополь, Здолбунов, Острог, Сумы, Конотоп, Шостка, Ромны, Ахтырка, Тернополь, Чертков, Кременец, Бережаны, Збараж, Хмельницкий, Каменец-Подольский, Шепетовка, Славута, Ярмолинцы, Чернигов, Нежин, Прилуки, Бахмач, Новгород-Северский, Черновцы, Новоселица, Вашковцы, Сокиряны, Заставна, Ивано-Франковск.
Детали
| Вес | 2,87 кг |
|---|---|
| Габариты | 80 × 62 × 51 см |
Основные характеристики:
| Предназначение | Для гранулятора, Для двигателя, Для колуна, Для мульчера, Для электродвигателя |
| Тип | Крановый, Цилиндрический, Понижающий |
| Маркировка | РЦД |
| Предаточное число | 10, 12.5, 16, 20, 25, 31.5, 40 |
| Межосевое расстояние | 400mm |
| Количество ступеней | Двухступенчатый |






